深圳市歐姆雷盾科技有限公司
全國統一服務熱線:400-680-0309
電話:0755-82591856
傳真:0755-82599306
E-mail:info@omrdon.com
地 址:深圳市坪山區坑垶禾田路2號坪山高新智能制造產業園6棟8樓
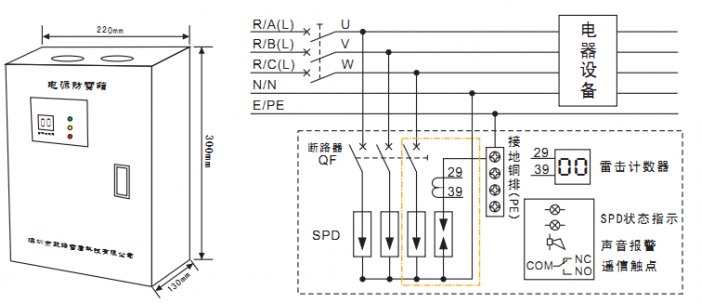
歐姆雷盾(OMRDON)I級100KA單相/三相電源防雷箱(Surge Protection Device BOX)適用于交流50Hz/60Hz,380V及以下的TN-S、TN-C-S、TT、IT等供電系統的防雷保護,用于雷擊區域的LPZ OA或LPZB區與LPZ1區交界處,其設計依據符合GB18802.1,IEC61643-1技術標準,內置的防雷模塊內置失效脫離裝置,可視告警指示模塊可在有工作電壓情況下更換。并帶有數顯雷擊計數器,可以方便的記錄雷電波沖擊次數。
| 名稱 | 單相交流電源防雷箱 | 三相交流電源 |
| 型號 | OMP-APX100/220 | OMP-APX100/380 |
| 試驗級別 (依據IEC61643-1) | I | |
| 保護模式 | L-N,N-PE | |
| 額定工作電壓 (Un) | 220V | 380V |
| 最大持續工作電壓 (Uc) | ~420V | ~420V |
| 電壓保護水平(Up) 在Isn時 | ≤2.9kV | |
| 標稱放電電流 (In) | 60kA (8/20μs) | |
| 最大放電電流 (Imax) | 100kA (8/20μs) | |
| 響應時間 (Ta) | ≤25ns | |
| 接入導線截面 (L/N) | ≥16mm2 | |
| 接入接地線截面 (PE) | ≥25mm2 | |
| 熔斷器或斷路器選型 | D型32A 125A | |
| 工作環境 -40℃~+85℃ | —40℃~+85℃ | |
| 相對濕度 ≤95% | ≤95% | |
| 附件 | 內置雷擊計數器 微型斷路器 | |
| 安裝 | 掛墻式,螺絲固定 | |
| 遙信端子接線 | COM:公共端,NO:常閉,NC常開 | |
| 外殼材料 | 外箱:噴涂金屬板;內置模塊:阻燃PBT | |
| 產品尺寸 | 300×220×130mm | |
| 測試依據 | GB18802.1、IEC61643-1 | |
1、帶遙信端子,可實現遠程監控。
2、最高可承受100KA(8/20μs)雷電流沖擊,動作響應時間小于25ns。
3、配套有微型斷路器及雷擊計數功能,防雷箱面板指示燈綠燈亮(電源工作正常)、黃燈亮(防雷器工作正常)、紅燈(防雷箱故障)。
4、內置電涌保護器有可視告警窗口顏色表示保護的工作狀態,綠色(正常)、紅色(故障)。
防雷箱尺寸及安裝方法:








